A frequency divider reduces a base clock frequency into smaller frequencies. This is useful when a system has a single clock source but multiple peripherals require different clock rates.
Block Diagram

Divider Decoder
| No. | Final Frequency (Hz) (Base = 50 MHz) | Factor |
|---|---|---|
| 0 | 1/4 | 200 M |
| 1 | 1/3 | 150 M |
| 2 | 1/2 | 100 M |
| 3 | 1 | 50 M |
| 4 | 2 | 25 M |
| 5 | 3 | 16.67 M |
| 6 | 5 | 10 M |
| 7 | 8 | 6.25 M |
This can be implemented using a case statement, similar to a 4 Bit Priority Encoder.
module Div_Dec(Din, Dout);
input [2:0]Din;
output reg [31:0];
always @(Din)begin
case (Din)
3'd0:
Dout = 32'd200000000
3'd1:
Dout = 32'd150000000
3'd2:
Dout = 32'd100000000
3'd3:
Dout = 32'd50000000
3'd4:
Dout = 32'd25000000
3'd5:
Dout = 32'd16670000
3'd6:
Dout = 32'd10000000
3'd7:
Dout = 32'd6250000
end
Accumulator
The accumulator counts clock cycles and resets when it reaches a target count.
32-bit D Flip-Flop
module DFF32(Din, clk, w_en, reset, Dout);
input [31:0]Din;
input clk, w_en, reset, reset_external;
output reg [31:0]Dout;
always @(posedge clk or negedge reset or negedge reset_external) begin
if (!reset_external) begin
Dout <= 32'd0;
end else if (!reset) begin
Dout <= 32'd0;
end else if (w_en) begin
Dout <= Din;
end
end
endmodule
32-bit Accumulator
module Acc32(clk, w_en, reset, Acc_out);
input clk, w_en, reset;
output [31:0]Acc_out;
wire [31:0]Din;
assign Din = Acc_out + 32'd1;
DFF32 DFF32_0(.Din(Din), .clk(clk), .w_en(1'd1), .reset(reset), .Dout(Acc_out));
endmodule
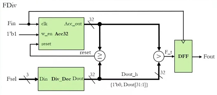
Frequency Divider Module
module FDiv(Fin,Fsel,Fout);
input Fin;
input [2:0]Fsel;
wire reset, F_t;
wire [31:0]Dout_h, Dout, Acc_out;
reg Fout;
assign reset = (Acc_out >= Dout);
assign Dout_h = {1'b0, Dout[31:1]};
assign F_t = (Acc_out > Dout_h);
Acc32 Acc_0(.clk(Fin), .w_en(1'b1), .reset(reset), Acc_out(Acc_out));
Div_Dec(.Din(Fsel), .Dout(Dout));
always @(posedge Fin) begin
Fout <= F_t;
end